概述
在輸變電網擁有四十余年豐富的工程經驗,擁有輸電、變電工程全流程解決方案和實力。一直按照客戶的需要提供最優化的設計方案, 為客戶創造可持續的長遠利益。服務包括輸電、變電工程可研設計、初步設計、工程設計、采購、施工管理、項目管理、環境工程、安全設計與咨詢等。公司承擔了首鋼集團全部產業基地的供電系統的規劃、設計和實施;成功設計實施了220kV/110kV變電站30余座,35/10kV配電所上百座,高壓輸電線路幾十條,廠區電纜綜合管網上千公里等眾多項目。多次獲得冶金工業優秀設計獎。
公司始終堅持科技創新為先導,在緊缺用地條件下110kV集成變電站關鍵技術研究、地下變電站設計技術研究、變電站防誤閉鎖系統的實現及分析、新型全地下式電纜隧道安全人孔兼通風井、智能變電站關鍵設計技術的研究、軟件模擬計算技術的研究與應用等方面擁有一批核心技術成果。
技術優勢
1)、輸電線路工程涵蓋110kV、220kV等不同電壓等級的設計技術、業績和能力。在高壓線路新建、遷改和入地改造等方面具有成熟業績,成功實施了新建/遷改高壓輸電線路幾十條,廠區電纜綜合管網幾百公里。

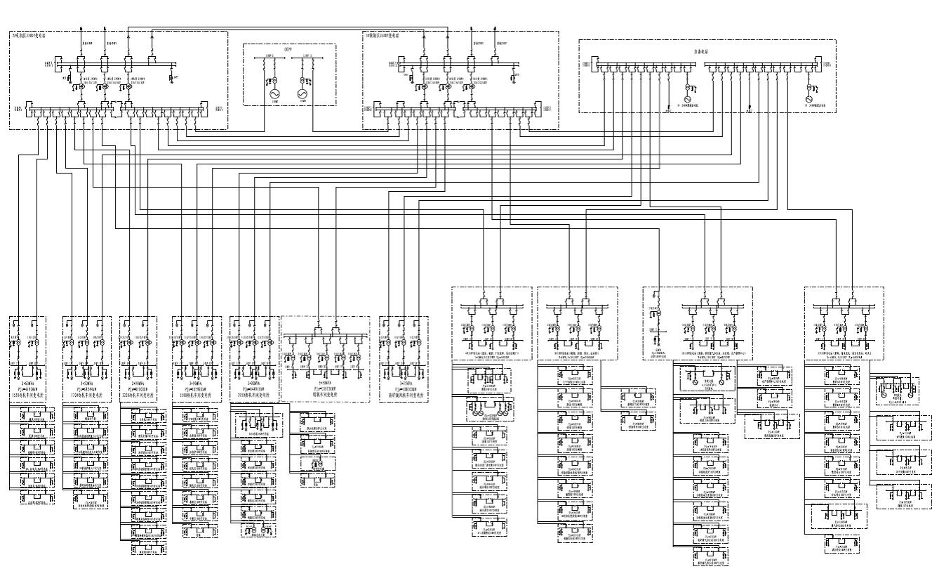
2)、具有豐富的變電站工程的設計經驗和工程業績,成熟掌握220kV及以下的變電站設計技術。有220kV/110kV變電站30余座業績。具有冶金行業首個110kV智能變電站的設計業績。多次獲得冶金行業優秀設計獎。

3)、具有全廠供配電系統規劃與設計的設計能力、經驗和工程業績。傳承創新系統業務,緊跟科技發展潮流,積極為電力系統規劃設計服務。承擔的首鋼京唐鋼鐵廠全廠供電系統獲冶金行業全國優秀工程設計一等獎。

工程業績
• 首鋼京唐鋼鐵廠全廠供電系統(冶金行業全國優秀工程設計一等獎)
• 首鋼京唐鋼鐵廠能源管理中心(冶金行業全國優秀工程設計二等獎)
• 首鋼京唐鋼鐵廠6#、7#110kV智能變電站(冶金行業全國優秀工程設計二等獎)
• 首鋼遷鋼鋼鐵廠1#~7#110kV數字化變電站
• 首鋼遷鋼150MWCCPP電廠(冶金行業全國優秀工程設計一等獎)
• 首鋼遷鋼2x50MWCCPP電廠
• 京唐港首鋼碼頭110kV變電站工程
• 包鋼2250熱軋項目110kV變電站工程
• 首鋼貴鋼新特材料基地1#~3#110KV變電站工程
• 曹妃甸高新區110KV變電站
• 110kV高崗輸電線路臨時切改遷移工程
• 首鋼動力廠35KV-45~46線路改造工程
• 北京地鐵S1線-首鋼段動力廠35kV- 45-46線切改移工程
• 魯家山礦南區10kV線路設計改造工程
• 北京首鋼生物質能源項目發電繼電保護整定計算服務合同
聯系方式
柳經緯 手機:13811102004 座機: 010-88299345
王紅麟 手機:13611015203 座機:010-88299379